热度 2| |
大家都知道,一个典型的PLL是由VCO(压控振荡器),PFD CP(鉴频鉴相器和电荷泵),LPF(环路滤波器)组成。为什么会由这几个部分构成的呢?

首先,需要明确PLL的应用场景是什么?
①频率合成(Frequency Synthesis)。也就是产生一个我想要的稳定频率,并且这个信号的噪声需要满足我的标准。比如收发机中常见的2.4GHz
②时钟同步(Clock synchronization)。输出信号需要与输入的时钟进行同步,保证一定的相位关系。例如FPGA中常用的用一个PLL产生多个同相位的时钟。
③去抖(jitter cleaning)。类似于将PLL充当一个低通滤波器(带宽非常低),将输入信号的噪声绝大部分都滤除掉。
④时钟恢复(clock/data recovery, CDR)。主要应用在串行通信中,需要重数字信号中提取出他的时钟信号。
在本文中,暂时只考虑频率合成这个应用场景。
既然是频率合成,那么我们需要考虑第一个的问题是,什么电路能产生一个频率信号?
①压控振荡器,比如LC-VCO,RC-VCO,Ring-VCO
②晶体振荡器
③mems振荡器等
简单对比一下这几个电路。这里的优差只是一个相对的概念

这里只是简单的对比,比如频率范围,VCO也可以做THz级别的,但晶振目前没有查到能做GHz级别的。
通过这个简单的对比,可以知道,想要一个频率可调,频率范围较大的频率输出,压控振荡器才是一个很好的选择。
假如说你的要求是固定几个频率,并且输出频率比较低,能不能使用晶体振荡器呢?其实也很难直接使用晶体振荡器。因为晶振的频率往往是标准频率点,比如10MHz,20MHz等等。市面上很少能购买到定制频率的晶振,有的商家写的是可任意频率的晶振,其实里面还是配置了一个PLL。
既然选定了一个产生频率信号的电路,那么
我们看看VCO的频率表达式,fvco= f0 + vtune * Kvco
其中,f0是中心频率,vtune是vco的输入,kvco是vco的增益。
这在理论上貌似可以实现,只需要控制我的vtune,让输出频率与我设置的一样,并且保证VCO的噪声要求满足我的指标就可以。但是在实际芯片设计中,需要考虑工艺、温度、电压(PVT)的影响。你在设计VCO时,在你流片测试前,你都无法准确知道你设计的VCO是工作在哪个频率,并且随着温度,电压的变化,VCO的频率也会变化。即便你设计了一个很准的vtune值,你也不能保证,VCO输出的频率是你想要的那个频率。
因此,VCO直接作为一个频率合成器不太现实。
这个问题,是在有干扰、参数变化时仍能让系统稳定工作,其实属于自动控制学的范畴。
那么,自动控制理论中有哪些呢,什么可以应用在控制VCO呢
常见的自动控制有以下:
①PID(比例、积分、微分)控制
②Lead-Lag(超前-滞后)控制
③Kalman Filter(卡尔曼滤波)等等
可以知道的是,PLL选择了PID作为控制VCO的自动算法。至于为什么选择这个算法,有部分原因是简单可靠,具体还需要大幅度展开,在此不做深究。
由于自动控制理论近些年也在快速发展,或许还可以采用其他控制算法实现PLL,开辟新的架构也说不定。
简单来说,就是测量输出信号于基准的误差,通过比例+积分+微分三个调节去让受控部分的输出稳定。

举个例子,假如受控部分是VCO,初始频率为2.2GHz,基准参考是2.4GHz。
比例调节:
测量误差为0.2GHz,假设比例积分为0.5,那么就要控制VCO提高频率,提高的频率为0.2×0.5=0.1GHz,其中0.2为误差,0.5为比例积分,那么经过这次调节,VCO频率变为2.2+0.1=2.3GHz。
第二次测量误差为0.1GHz,那么VCO频率变为2.3+0.1×0.5=2.35GHz
以此类推,最终稳定在2.4GHz,此时误差会缩小为0。
但是,这是在理想的情况下,通常现实中的模块都会有误差,比如,假设每次控制VCO,你想让VCO增加1GHz,但由于PVT的影响,会比预期少0.1GHz,结果只增加了0.9GHz,这个时候,会发生什么情况呢?重新考虑上面的情况
测量误差为0.2GHz,提高的频率为0.2×0.5-0.1=0GHz,那么VCO的频率变为2.2GHz
此时,VCO会一直稳定在2.2GHz,距离目标频率2.4GHz永远会有0.2GHz的差值,这个就是稳态误差。假如这个误差在能接受的情况下,那么也不需要处理。如果想要消除稳态误差,如何解决?增加积分路径。
积分调节
在增加积分调节后,假设积分调节的系数为0.1,重新考虑上面的情况。
测量误差为0.2GHz,比例调节为0GHz,积分调节为0.2x0.1=0.02GHz(积分器的初始值设置为0),总的调节为0+0.02=0.02GHz,那么VCO的频率为2.22GHz
第二次测量误差为0.18GHz,比例调节为0.18*0.5-0.1=-0.01GHz由于是负值,实际上是0,也就是比例调节已经调整不了了,积分调节(0.2+0.18)x0.1=0.038GHz,总的调节为0+0.038GHz,那么VCO的频率为2.22+0.038=2.258GHz
最终测量的误差会为0,导致积分不再增加,从而消除了稳态误差。
那微分调节是为了做什么的呢?
微分调节
在整个自动控制系统中,实际上有可能会波动很多次才逐渐稳定。比如目标2.4GHz,初始VCO频率为2GHz,误差为0.4GHz,可能PVT的影响,实际上给VCO增加了0.5GHz,那么VCO频率变为2.5GHz,那么VCO比目标频率高了0.1GHz,这个过程类似于震荡,然后趋于稳定。
如何减小这个震荡,让系统一次就趋于稳定呢,这个时候,只需要增加一个微分调节就可以了,在连续系统中,就是求导,在离散系统中,就是求差。
这个微分调节部分在趋于稳定的过程,会与比例调节的符号相反。比如第一次的误差为0.4GHz,第二次的误差为0.2GHz,此时微分调节是-0.2。当然,如果比例调节和积分调节的系数设置的好的话,其实也可以不需要微分调节。
这里给出一个gif图,让大家更好感受PID的功能。(此图是网上找的,侵删)

图中的Kp,Ki,Kd分别指的是比例,积分,微分的系数,当Ki=0,意味着系统未加入积分调节,同理,当Kd=0时,意味着系统未加入积分调节。
横轴为时间,纵轴是系统输出,红色虚线就是目标,也就是1,相当于我们上面的VCO目标频率2.4GHz。从图中我们可以提取出这些信息:
①当只有比例调节时,系统输出稳定≠1,存在稳态误差。并且Kp越大,系统响应越快,稳定需要的时间越少(在PLL中,也就是带宽大)。
②增加积分调节后,系统输出稳定=1,但Ki越大,震荡越大。
③增加微分调节后,系统震荡趋于消失。
在此,我们的频率合成器貌似已经有一个雏形了,具体就是如何实现了。但是其实,还有一个问题,既然我们的频率合成器想要一个频率稳定的输出,为什么要用锁相环(PLL),而不用锁频环(FLL)呢?
首先,锁相环和锁频环的区别是什么?
在于测量输出与基准的误差时,一个是测量相位,一个是测量频率。
假如使用锁频环,那么输出的信号是sin(2πf+φ(t)),f是一个稳定的值,但是相位φ(t)是不确定的,可能会小,也可能会变化很大。这个会影响什么呢?
会影响输出信号的瞬态频率,sin(wt+φ(t))只能保证平均频率是f,那么瞬态频率是什么,是相位的导数,也就是d(φ(t))/dt,如果相位是一个不确定的值,那么瞬态频率也会不确定。
这里需要明白的是,相位的导数是频率,频率的积分是相位。
而我们在实现频率合成器时,是希望输出的瞬态频率稳定的,所以频率合成器应该使用锁相环实现,而不是锁频环实现。
接下来就终于步入正题了,如何实现锁相环?
我们回过头去看一下PID的环路图,主要有基准参考,误差测量,受控部分,PID调节这几个部分。
①首先考虑受控部分,那么就是VCO,是压控振荡器(也有电流控制的振荡器),所以误差测量的相位差需要转为电压信号,这样才能控制VCO,同理,如果是电流控制的振荡器,就需要转为电流信号,现在还有数字锁相环,那么需要转为数字信号。
②基准参考。基准参考是需要非常准确的,并且有频率和相位的信息。由于需要把相位信号转为一个电压信号,所以基准参考可以用一个电压信号做为基准,当然,如何将这个电压信号与频率和相位挂钩是一件比较难的事情,所以目前这样做的人比较少,文献1中就有这样做时钟发生器的,不过产生的是一个锯齿波。

既然需要频率和相位的信号,那么外部给的一个准的信号是一个很简单的实现,比如晶振,现在大多数PLL就是这么做的。
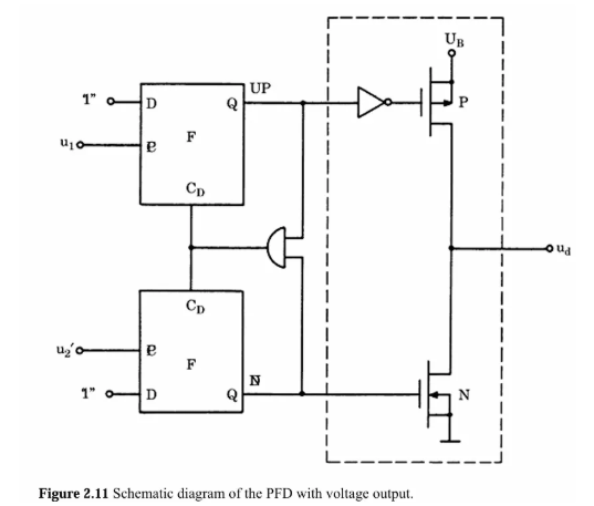
③误差测量。就是需要把误差信息转为电压信号,最直接的就是phase-to-voltage Converter,有很多种实现方法,比如异或门相位检测器,边沿触发的JK触发器,以及现在常用的PFD,下面给出电压输出的PFD,其他电路图,大家有兴趣的话,可以看文献2。当然现在PLL常用的是PFD电流输出的,为什么呢?因为电压输出的PFD无法对微小的相位误差做出响应。具体需要后面重新开一篇讲。

④PID调节部分。这部分可以认为是环路滤波器的一部分。PID其实是对输出的电压或者电流,做一个乘法,积分,和加法。很自然的,乘法和积分,加法都可以用运算放大器实现。主要实现的方法有无源lead-lag filters(超前滞后滤波器),有源lead-lag filters,有源PI滤波器。下面给出有源PI滤波器的电路图。对其他滤波器有兴趣的,可以看文献2(文献可下载)。

但现在目前绝大部分CPPLL都是使用无源滤波器,主要是因为噪声小,无源滤波器只有热噪声,并且功耗低,而有源滤波器中的运放噪声不仅包含热噪声,电源噪声,还有闪烁噪声,功耗还高。下面是PFD/CP 和无源滤波器的示意图。来自文献3。

但是这个无源的滤波器有一个缺点,就是比例调节和积分调节合并在一起,不能单独调节。所以出现了一些双路径的CPPLL,比如一篇2002年的JSSC(文献4)的电路示意图

⑤分频器。在PID的那张示意图中并没有出现分频器。但在PLL中常常出现,由于VCO输出频率高于晶振,因此分频器是有必要的。
既然分析了CPPLL是如何实现的,那同理数字锁相环也很好扩展。
振荡器需要的是数字输入控制,那么就是数控振荡器(DCO)
相位误差也需要转换为数字信号,所以要实现一个时间数字转换器(TDC),其实我觉得与相位数字转换器是一个意思
PI控制器,在数字域中,乘法和加法都是很好实现的,而且也不存在噪声,也就不需要像模拟锁相环一样考虑分开和不分开了
但数字锁相环会有一个问题是,TDC的量化噪声和小数spur。这都是需要考量的。下面给出一个数字锁相环的示意图,来源于文献5

刚才讲到模拟锁相环会将比例路径和积分路径分开,但运算放大器噪声大,所以也有人提出混合型的路径,一个路径用CP,一个路径用TDC实现,如下图所示。来源于文献6

文献都可下载,见我的公众号20251007文件夹。

①APCC2015.A wide Frequency PLL-less Clock Generator with Fast Intermittent Operation for Low-Power Wearable Medical Applications
②Roland Best. Phase-Locked Loops Design, simulation, and Applications. sixth version
③Dean Banerjee. PLL performance, simulation, and Design.
④JSSC2002.A fully Integrated CMOS Frequency Synthesizer With Charge-Averaging Charge Pump and Dual-Path Loop Filter for PCS- and Cellular-CDMA Wireless Systems
⑤JSSC2017.A 50–66-GHz Phase-Domain Digital Frequency Synthesizer With Low Phase Noise and Low Fractional Spurs
⑥ICSICT2020.Design of High-performance Phase-Locked Loop Using Hybrid Dual-Path Loop Architecture :an Overview (Invited paper)
/1