littbi的个人空间 https://blog.eetop.cn/?1686308 [收藏] [复制] [分享] [RSS]

日志

静态时序分析的基本方法01

热度 1已有 1721 次阅读| 2020-2-3 13:04 |个人分类:静态时序分析(STA)|系统分类:芯片设计

       时序分析的目的是验证设计是否符合规定时序约束下的性能要求,同时设计者基于时序分析的结果来决定如何在不满足时序要求的情况下进行时序性能改进。

       时序图

       静态时序分析中,数字逻辑电路首先转换成时序图的形式,再基于时序图来计算路径延迟的总和,如果所有的路径都满足时序约束和规范,那么就认为设计满足时序约束规范。

       生成时序图首先需要对要进行时序分析的设计进行逻辑电路到时序图的转换。时序图主要包括时序路径的逻辑节点、连接关系和主要输入输出端口。其中逻辑节点为设计中的逻辑单元;连接关系为设计中逻辑单元的输入输出关系;主要输入输出端口为设计的输入输出端口。

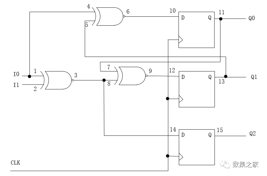
       如下图所示为一个逻辑电路,将各节点和输入输出端口进行标号,得到由逻辑电路图转换为时序图的中间结果。

       时序分析基于4种类型的时序路径进行时序分析,时序图中起点和终点可根据如下原则进行定义:

       1.时序图中起始点包括设计边界上数据输入端口、时序单元的数据输出端口和存储器数据输出端口这三类;

       2.时序图中终止点包括设计边界上数据输出端口、时序单元的数据输入端口和存储器数据输入端口这三类。

       基于以上原则,以上原则电路图转换成的时序图如下所示。

      完成基本的电路逻辑图到时序图转换后,还需要结合连接关系 、时序弧、时序约束、时序分析策略和计算方法等其他相关因素,才能对设计进行时序分析。

       时序分析策略 

       对设计进行时序分析前,需要选择合适的时序分析策略。时序分析策略主要分为两种:基于路径的时序分析策略和基于模块的分析策略。

       1.基于路径的分析策略
       基于路径的分析策略是基于时序图找到从起点到终点的所有路径进行时序分析,如下图所示。

        基于路径的分析策略能够独立精确地计算每条时序路径,但是随着设计规模的增加,这种时序分析策略需要基于单元延时和连线延时等诸多信息来计算时序图中所有时序路径,这样可能增加计算量和运行时间,然而可以通过合理设置来屏蔽不必要时序路径的时序分析。主流的时序分析工具一般基于该分析策略进行时序分析,如PrimeTime。

        2.基于模块的时序分析策略

        基于模块的时序分析策略也可以称为基于图的时序分析策略,它是基于时序图找到从起点到终点的所有路径,在进行时序分析时只基于该路径下延迟最严重的节点进行计算,如下图所示。

        基于模块的时序分析策略能够同时分析所有时序路径,并且随着设计规模的增加,计算量和运行时间不会像基于路径的分析策略那样大幅增加。但是其缺点是其分析精度没有基于路径的分析策略那么高。


点赞

发表评论 评论 (4 个评论)

回复 littbi 2020-2-10 20:11
KingKing007: 可以,关注了
好像一开始可以显示,过几天就显示不了了,我后面的就不用那些图片了
回复 KingKing007 2020-2-10 17:03
littbi: 我自己的公众号,直接复制粘贴的。
公众号名;数集之家
可以,关注了
回复 littbi 2020-2-5 19:45
KingKing007: 图都挂了,这是微信公众号里的文章吧,直接告诉我是啥公众号把
我自己的公众号,直接复制粘贴的。
公众号名;数集之家
回复 KingKing007 2020-2-5 16:14
图都挂了,这是微信公众号里的文章吧,直接告诉我是啥公众号把

facelist

您需要登录后才可以评论 登录 | 注册

  • 0

    周排名
  • 0

    月排名
  • 0

    总排名
  • 1

    关注
  • 5

    粉丝
  • 4

    好友
  • 6

    获赞
  • 11

    评论
  • 820

    访问数
关闭

站长推荐 上一条 /1 下一条


手机版| 小黑屋| 关于我们| 联系我们| 隐私声明| EETOP 创芯网
( 京ICP备:10050787号 京公网安备:11010502037710 )

GMT+8, 2025-10-8 07:13 , Processed in 0.045473 second(s), 9 queries , Gzip On, Redis On.

eetop公众号 创芯大讲堂 创芯人才网
返回顶部