littbi的个人空间 https://blog.eetop.cn/?1686308 [收藏] [复制] [分享] [RSS]

日志

静态时序分析的基本方法04

已有 2017 次阅读| 2020-2-6 15:20 |个人分类:静态时序分析(STA)|系统分类:芯片设计

        时序路径分析模式

       时序路径分析模式中涉及两种计算时序路径类型:最快路径和最慢路径。时序路径分析模式中需要选择正确的最快路径和最慢路径进行时序计算。

       1.最快路径

       最快路径指在信号传播延时计算中调用最快工艺参数的路径,根据信号的分类可以分为最快时钟路径和最快数据路径。

       2.最慢路径

       最慢路径指在信号传播延时计算中调用最慢工艺参数的路径,分为最慢时钟路径和最慢数据路径。

       与数据路径不同,最快时钟路径、最慢时钟路径的选择在建立时间分析和保持时间分析中是不同的。

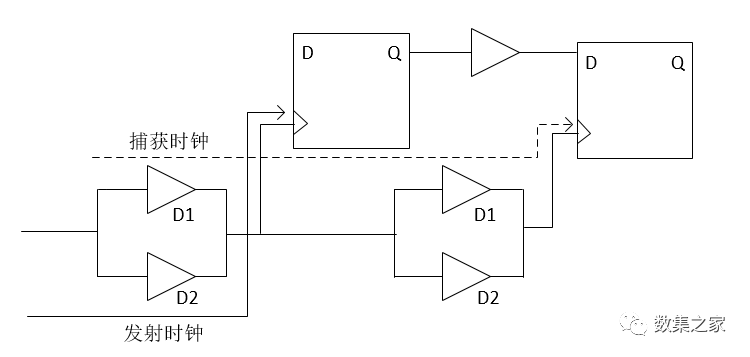
       (1)建立时间分析最快时钟路径和最慢时钟路径如下图所示。

       在建立分析中,最快时钟路径是指时序路径中时钟信号从时钟源点到达终止点时序单元时钟端口的延时,而最慢时钟路径是指时序路径中时钟信号从时钟源点到达始发点时序单元时钟端口的延时最长发射时钟路径。

       (2)保持时间分析最快时钟路径和最慢时钟路径如下图所示。

       在保持时间分析中,最快时钟路径是指时序路径中时钟信号从时钟源点到达始发点时序单元时钟端口的延时最短发射时钟路径,而最慢时钟路径是指时序路径中时钟信号从时钟源点到达终止点时序单元时钟端口的延时最长捕获时钟路径。

        

        静态时序分析工具提供3种分析模式进行静态时序分析,不同的设计需求通过选择对应的时序分析模式,从而可以在合理的时序计算负荷范围内得到接近于实际工作的时序分析结果。这3种时序路径分析模式分别为:单一分析模式、最好-最坏分析模式、全芯片变化分析模式。

        1.单一分析模式

        前面介绍过PVT环境分3类:最好的、典型的和最坏的工作环境。最好对应较小的工艺偏差、较低的工作温度以及较高的工作电压,最坏对应较大的工艺偏差、较高的工作温度和较低的工作电压,典型则是上述两种极端条件的折中。对于单一分析模式,静态时序分析工具只会在指定的一种工作条件下检查建立时间和保持时间。

       根据前面所介绍的触发器到触发器时序路径建立时间要求,转换成单一分析模式下建立时间的基本计算如下:

        发射时钟最慢路径延时+最慢数据路径延时≤捕获时钟最快路径延时+时钟周期-终止点时序单元建立时间

        进行建立时间检查时,始发点触发器的发射时钟路径延时、终止点触发器捕获时钟路径沿和从始发点到终止点的数据路径延时都是单一工作条件下所计算的路径延时。

        以最典型的时序路径延类型触发器到触发器为例,进行单一分析模式建立时间计算,如下图所示。

       根据上图所示的延时参数,单一分析模式下建立时间计算结果如下:

       时钟周期=4

       发射时钟最慢路径延时值=0.8+0.6=1.4

       最慢数据路径延时值=3.6

       最快数据路径延时值=1.9

       捕获时钟最快路径延时值=0.8+0.5=1.3

       时序单元的建立时间要求值=0.2

     数据到达延时值=发射时钟最慢路径延时值+最慢数据路径延时值=1.4+3.6=5

       数据要求延时值=时钟周期+捕获时钟最快路径延时值-时序单元的建立时间要求值=4+1.3-0.2=5.1

       延时违反值=数据要求延时值-数据到达延时值=5.1-5=0.1


       单一模式下保持时间的基本计算式如下:

       发射时钟最快路径延时+最快数据路径延时≥捕获时钟最慢路径延时+终止点时序单元保持时间 

        同样,进行保持时间检查始发点触发器的发射时钟路径延时、终止点触发器捕获时钟路径延时和从始发点到终止点的数据路径延时与建立时间检查一样,都是基于相同的单一工作条件下所计算的路径延时。

       这里以最典型的时序路径类型触发器到触发器为例,进行单一分析模式下保持时间计算如下图所示。

        根据上图的延时参数,单一分析模式下保持时间计算结果如下:

        时钟周期=4

        发射时钟最快路径延时值=0.6+0.4=1

        最快数据数据延时值=1

        最慢据路径延时值=2.6

        捕获时钟最慢路径延时值=0.6+0.3=0.9

        时序单元的保持时间要求值=0.1

      数据到达延时值=发射时钟最快路径延时值+最快数据路径延时值=1+1=2

        数据要求延时值=时序单元的保持时间要求值+捕获时钟最慢路径延时值=0.1+0.9=1

        延时违反值=数据要求延时值-数据到达延时值=1-2=-1

        2.最好-最坏分析模式

        对于最好-最坏分析模式,静态时序分析工具会同时在PVT环境中的最好的和最坏的工作坏境下检查建立时间和保持时间。

        最好-最坏分析模式中建立时间的基本计算公式与单一分析模式下建立时间的基本计算公式一致,不同点在于计算建立时间所使用的工作环境不同,在计算建立时间过程中静态时序分析工具调用逻辑单元的最大(MAX)延时时序库,并用来检查时序路径最大延时是否满足触发器建立时间的约束。

       进行建立时间检查时,始发点触发器的发射时钟延时、终止点触发器捕获时钟延时和从始发点到终止点的数据路径延时都是基于最坏工作条件下所计算的路径延时。

       以最典型的时序路径类型触发器到触发器为例,这里最好-最坏分析模式下建立时间计算,如下图所示。

        根据上图中的延时参数,最好-最坏分析模式下建立时间计算结果如下:

        时钟周期=4

        发射时钟最慢路径延时值=0.7+0.6=1.3

        最慢数据路径延时值=3.5

        最快数据路径延时值=1.9

        捕获时钟最快路径延时值=0.7+0.5=1.2

        时序单元的建立时间要求值=0.2

      数据到达延时值=发射时钟最慢路径延时值+最慢数据路径延时值=1.3+3.5=4.8

        数据要求延时值=时钟周期+捕获时钟最快路径延时值-时序单元的建立时间要求值=4+1.2-0.2=5

        延时违反值=数据要求延时值-数据到达延时值=5-4.8=0.2

        

        同样,最好-最坏路径分析模式中保持时间的基本计算公式与单一分析模式下保持时间的基本计算公式一致,不同点在于计算保持时间所使用的工作环境不同,在计算保持时间过程中静态时序分析工具调用逻辑单元的最小(MIN)延时时序库,并用来检查时序路径最小延时是否满足触发器保持时间的约束。

        进行保持时间检查时,始发点触发器的发射时钟延时、终止点触发器捕获时钟延时和从始发点到终止点的数据路径延时都是基于最好工作条件下所计算的路径延时。

        这里以典型的时序路径类型为  触发器到触发器为例,进行最好-最坏分析模式下保持时间计算,如下图所示。

        时钟周期=4

        发射时钟最快路径延时值=0.5+0.4=0.9

        最快数据路径延时值=1

        最慢数据路径延时值=2.3

        捕获时钟最慢路径延时值=0.5+0.3=0.8

        时序单元的保持时间要求值=0.1

        数据到达延时值=发射时钟最快路径延时值+最快数据路径延时值=0.9+1=1.9

        数据要求延时值=时序单元的保持时间要求值+捕获时钟最慢路径延时值=0.1+0.8=0.9

        延时违反值=数据要求延时值-数据到达延时值=0.9-1.9=-1


        3.芯片变化相关分析模式

        芯片变化相关分析模式是可以用更加严谨苛刻的方法来检测建立时间以及保持时间,使得时序分析结果更加接近于目前先进制造工艺下真实情况的一种分析手段。OCV分析模式可以描述PVT对单个芯片所造成的影响,还可以同时用来考虑长距离走线对时钟路径的影响。

        在芯片变化相关工作模式下,与最好-最坏分析模式一样,静态时序分析工具也会同时在PVT环境中的最好的和最坏的工作环境下检查建立时间和保持时间。

        OCV分析模式中建立时间的基本计算公式与其他分析模式下建立时间的基本公式一致,不同点在于计算最快路径和最慢路径所使用的工作环境不同,在计算建立时间过程中静态时序分析工具调用逻辑单元的最大(MAX)延时时序库来计算最慢路径的延时,同时调用逻辑单元的最小(MIN)延时时序库来计算最快路径的延时,来检查时序路径的延时是否满足触发器建立时间的约束。

        以最典型的时序路径类型触发器到触发器为例,进行OCV模式下建立时间的计算,如下图所示。

        根据上图的延时属性,OCV分析模式下建立时间计算结果如下:

        时钟周期=4

        发射时钟最慢路径延时值(MAX)=0.7+0.6=1.3

        最慢数据路径延时值(MAX)=3.5

        最快数据路径延时(MIN)=1.2

        捕获时钟最快路径延时值(MIN)=0.5+0.3=0.8

        时序单元的建立时间要求值(MAX)=0.2

        数据到达延时值=发射时钟最慢路径延时值(MAX)+最慢数据路径延时值(MAX)=1.3+3.5=4.8

        数据要求延时值=时钟周期+捕获时钟最快路径延时值(MIN)-时序单元的建立时间要求值(MAX)=4+0.8-0.2=4.6

        延时违反值=数据要求延时值-数据到达延时值=4.6-4.8=-0.2

        

        同样,OCV分析模式中保持时间的基本公式与其他分析模式下保持时间的基本计算公式一致,不同点同样在于计算最快路径和最慢路径所使用的工作环境不同,在计算建立时间过程中静态时序分析工具调用逻辑单元的最大(MAX)延时时序库来计算最慢路径的延时,调用逻辑单元的最小(MIN)延时时序库来计算最快路径的延时来检查时序路径的延时是否满足触发器保持时间的约束。

        以最典型的时序路径类型触发器到触发器为例,进行OCV分析模式下保持时间计算,如下图所示。      

        根据上图的延时参数,OCV分析模式下保持时间计算结果如下:

        时钟周期=4

        发射时钟最快路径延时值(MIN)=0.5+0.4=0.9

        最快数据路径(MIN)=1.2

        最慢数据路径(MAX)=3.5

        捕获时钟最慢路径延时值(MAX)=0.7+0.5=1.2

        时序单元的保持时间要求值 (MAX)=0.1

        数据到达延时值=发射时钟最快路径延时值(MIN)+ 最快数据路径(MIN)= 0.9+1.2=2.1

        数据要求延时值=时序单元的的保持时间要求值(MAX)+捕获时钟最慢路径延时值(MAX)=0.1+1.2=1.3

        延时违反值=数据要求延时值-数据到达延时值=2.1-1.3=0.9

    


点赞

评论 (0 个评论)

facelist

您需要登录后才可以评论 登录 | 注册

  • 0

    周排名
  • 0

    月排名
  • 0

    总排名
  • 1

    关注
  • 5

    粉丝
  • 4

    好友
  • 6

    获赞
  • 11

    评论
  • 820

    访问数
关闭

站长推荐 上一条 /2 下一条


手机版| 小黑屋| 关于我们| 联系我们| 用户协议&隐私声明| 版权投诉通道| EETOP 创芯网
( 京ICP备:10050787号 京公网安备:11010502037710 ) |网站地图

GMT+8, 2025-12-21 22:15 , Processed in 0.023568 second(s), 8 queries , Gzip On, Redis On.

eetop公众号 创芯大讲堂 创芯人才网
返回顶部