littbi的个人空间 https://blog.eetop.cn/?1686308 [收藏] [复制] [分享] [RSS]

日志

静态时序分析基础知识03

已有 977 次阅读| 2020-2-1 14:55 |个人分类:静态时序分析(STA)|系统分类:芯片设计| 时序路径

      时序路径

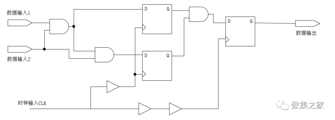
      时序路径(timing path)是指设计中数据信号传播过程中所经过的逻辑路径。每一条时序路径都存在与之对应的一个始发点和一个终止点。如下图所示。

       时序分析中定义的始发点可以分为两种:组合逻辑单元的数据输入端口和时序单元的时钟输入端口。如下图中的数据输入1、数据输入2、时钟输入CLK和3个D触发器的时钟端口。

       时序分析中定义的终止点也可以分为两种:组合逻辑单元的数据输出端口和时序单元的数据输入端口。如上图中的3个D触发器的D端口和数据输出。

        时序路径根据始发点到终止点的不同可分为4中类型的时序路径:触发器到触发器、触发器到输出端、输入端到触发器和输入端和输出端。如下图所示

        1.触发器到触发器

        这种时序路径表示始发点为时序单元的时钟输入端和终止点为时序单元的数据输入端之间的时序路径,由于其始发点和终止点在设计内部都是可见的,所以也称为内部时序路径,如图下图所示。

        2.触发器到输出端

       这种类型的时序路径表示从始发点为时序单元时钟输入端口到终止点为组合逻辑单元的输出端口之间的时序路径。由于组合逻辑单元的输出端口可能链接到设计之外的其他模块的输入端口,所以称为外部时序路径,如下图所示。

        3.输入端到触发器

        这种类型的时序路径表示从始发点为组合逻辑单元的输入端口到终止点为时序单元数据输入端之间的时序路径。由于组合逻辑单元的输入端口来自设计之外的其他输出端口,所以也称为外部时序路径,如下图所示。

        4.输入端到输出端

        这种类型的时序路径表示从始发点为组合逻辑单元输入端口到终止点为组合逻辑单元输出端口之间的时序路径,如下图所示。



点赞

评论 (0 个评论)

facelist

您需要登录后才可以评论 登录 | 注册

  • 0

    周排名
  • 0

    月排名
  • 0

    总排名
  • 1

    关注
  • 5

    粉丝
  • 4

    好友
  • 6

    获赞
  • 11

    评论
  • 820

    访问数
关闭

站长推荐 上一条 /1 下一条


手机版| 小黑屋| 关于我们| 联系我们| 隐私声明| EETOP 创芯网
( 京ICP备:10050787号 京公网安备:11010502037710 )

GMT+8, 2025-10-8 07:13 , Processed in 0.016469 second(s), 8 queries , Gzip On, Redis On.

eetop公众号 创芯大讲堂 创芯人才网
返回顶部