热度 32| ||
作为ESD工程师同时要身兼数职,最近在做失效分析,趁此机会正好和大家一起探究下失效分析方面的知识。我做FA的时间并不长,还希望能和大家多多交流。
最近手里有两款芯片在做FA(失效分析),正好就讲一下失效分析中最常用的辅助实验手段:亮点分析(EMMI)。
一.EMMI设备简介
EMMI:Emission microscopy 。与SEM,FIB,EB等一起作为最常用的失效分析手段。而EMMI应用于IC的失效分析还可以追溯到三十几年前。这里结合三篇文献来说明一下EMMI的原理以及结合实例进行EMMI结果分析。

图一.EMMI设备示意图。
EMMI是一种极其灵敏的显微镜,其光谱能从可见光区延伸到红外光区,并能捕捉到微弱的荧光。通过将捕捉到的荧光图片与芯片照片重合便能确定荧光产生的位置。

图二.EMMI中MCP电子放大腔示意图。
图二是EMMI中最为重要的器件之一。通过该器件,EMMI可以探测到极其微弱的荧光。(简单形容下原理:EMMI把捕捉到的光子通过在放大腔中放大,形成可观测的光束。)
EMMI的本质只是一台光谱范围广,光子灵敏度高的显微镜。而为何其能应用于IC失效分析,这里就要铺垫些半导体的相关知识。

图三.半导体荧光原理图。
二.集成电路荧光原理简介
2.1.载流子复合
半导体材料分为直接带隙半导体和间接带隙半导体,而Si是典型的直接带隙半导体,其禁带宽度为1.12eV。所以当电子与空穴复合时,电子会弹射出一个光子,该光子的能量为1.12eV,根据波粒二象性原理,该光子的波长为1100nm,属于红外光区。通俗的讲就是当载流子进行复合的时候就会产生1100nm的红外光。这也就是产生亮点的原因之一:载流子复合。所以正偏二极管的PN结处能看到亮点。如果MOS管产生latch-up现象,(体寄生三极管导通)也会观察到在衬底处产生荧光亮点。

图四.不同机制下的荧光光谱。
目前IC中能产生荧光的原因主要就是上述三种,而IC的失效分析中是给予失效点一个偏压,然后EMMI捕获电流中产生的微弱荧光。原理上,不管IC是否存在缺陷,只要满足其机理在EMMI下都能观测到荧光,那如何才能根据EMMI的结果确定失效位置,这就需要具体问题具体分析。
话不多说,接下来举几个简单的例子方便理解:
三.EMMI应用实例
3.1实例一

实例一.差分输出电路。
第一个实例是个差分输出,该电路的症状是两边输出电压不一样,从电路分析来看应该T2坏了,接下来在V+和GND之间给一个小电压偏置(小于PN结反偏击穿电压,大于PN结正向导通电压)然后上EMMI,将左右两个三极管的结果进行对比。然后结果如下图。

实例一.EMMI与SEM图像。
从EMMI上明显看出左右两个三极管的亮点存在差异,左侧三极管亮点分布不均匀,而右侧亮点均匀,强度较低。两边的三极管都存在VB-E偏压,都是正偏二极管,整个PN结都会因为载流子的复合产生亮点。但是左边复合强度更强,而且复合产生的荧光分布不均匀,在缺陷处复合强度明显偏高,亮点更集中。SEM的结果说明左侧的三极管发生损坏,缺陷会变成陷阱中心加速载流子的复合,所以EMMI上左侧更亮,更集中。
3.2.实例二

实例二.电路图。
实例二是一个HBM 2KV ESD防护单元,而ESD模块也是最容易发生失效的模块。该电路的症状为Input port到GND之间存在较大的漏电流。为了确定失效点,在Input和GND之间施加一个2.5V的偏压,然后用EMMI观察亮点。根据电路特性,如果ESD单元正常工作,在GGNMOS的drain端只会存在极其微弱的荧光,但是EMMI的结果显示GGNMOS其中一根Finger的drain端存在大面积的荧光,说明该处存在问题,后对NMOS进行SEM观察,确定了失效位置,该ESD单元的漏端产生损伤,从而造成了漏电流和EMMI光点。
实例二.EMMI图像。

实例二.失效点SEM图像。
3.3.实例三
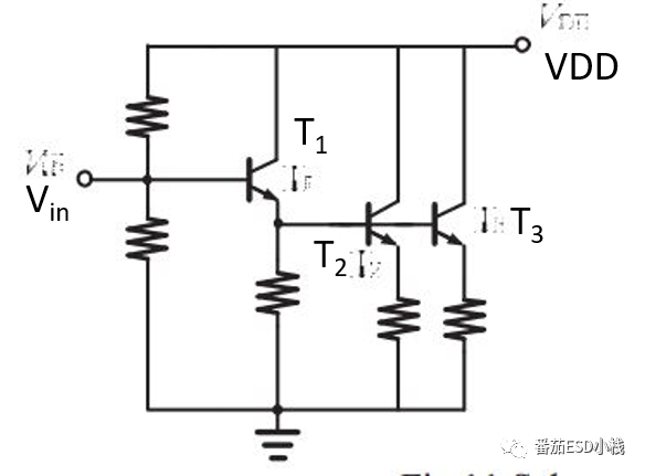
实例三是放大器中的一部分,电路图如图所示。

实例三.放大器电路图。
该电路的症状为VDD到GND电阻短接,问题锁定在T1,T2,T3三个三极管之中。Vin与GND间施加适当偏压,T1,T2,T3的B-E结正偏,正常情况下都存在载流子复合,形成亮点。但是EMMI的结果显示只有T1存在亮点,说明T1的B-E结是正常的,而T2,T3都失效了。去除金属化后发现T2的失效点。EMMI结果如图所示。

实例三.EMMI与SEM图像。
上述三个实例都较为简单,但是也体现出了EMMI在FA中的分析方法。第一个例子是将差分单元的EMMI进行对比,然后根据机理分析,EMMI亮度不均匀的管子出了问题。而第二个实例就是在不该出现亮点的地方出现亮点,说明电路出现问题。第三个实例是应该出现亮点的地方,反倒不出现亮点,这说明电路也出现了问题。所以EMMI的分析并不是单纯的说明有亮点就出现问题,更不是说明有亮点就是温度高(虽然高温确实能加速载流子复合),EMMI的分析需要基于对其原理的理解与具体电路的分析。
而实操中EMMI也需要调整偏置电压的大小与探头的灵敏度。如果偏置电压过大,正常的器件都会存在大量的热载流子和雪崩击穿,造成整个片子都是亮点,这也没法分析了。同样灵敏度过高也会造成这种结果。而且需要对具体情况进行具体的偏压设置。目前这只是静态的EMMI测试,随着芯片情况越来越复杂,还有动态EMMI测试的应用,这种情况就更难分析了。
下一期打算继续做EMMI案例讲解(虽然手头也有些案例,但是为了不被领导收拾就不拿出来讲了)我争取找一些公开资料,然后大家一起分析分析,涨涨见识,正所谓见多识广,说不定能对现在的项目或者以后的项目有所帮助。(已鸽。。。。咕咕咕咕。。。)
[1].Xuanlong Chen, Xianjun Kuang and Guangning Xu, "Application of EMMI contrast method in failure analysis," Proceedings of the 20th IEEE International Symposium on the Physical and Failure Analysis of Integrated Circuits (IPFA), 2013, pp. 504-507, doi: 10.1109/IPFA.2013.6599211.
[2].E. Inuzuka and H. Suzuki, "Emission microscopy in semiconductor failure," Conference Proceedings. 10th Anniversary. IMTC/94. Advanced Technologies in I & M. 1994 IEEE Instrumentation and Measurement Technolgy Conference (Cat. No.94CH3424-9), 1994, pp. 1492-1496 vol.3, doi: 10.1109/IMTC.1994.352178.
[3].Hawkins, C F, Soden, J M, Cole, Jr, E I, and Snyder, E S. 1990. "The use of light emission in failure analysis of CMOS ICs". United States. https://www.osti.gov/servlets/purl/6560270.
走过路过关注下微信公众号:番茄ESD小栈

/2