chen_ww1993的个人空间 https://blog.eetop.cn/?1615674 [收藏] [复制] [分享] [RSS]

日志

DLL谐波锁定问题:应用困境

已有 352 次阅读| 2023-7-8 12:35 |个人分类:DLL|系统分类:芯片设计

上一篇文章提到了DLL的谐波问题,解决该问题的有效措施是对Vcont进行复位上拉。详细内容可点击下面的内容查看:

图片

01 DLL的一种应用场景:面对谐波锁定的风险

本篇文章是对DLL的谐波锁定问题做进一步的探讨。我们考虑下面这样一种应用情景:一款带Vcont复位上拉的DLL电路,在复位结束之后,参考时钟在很长一段时间之后才到来。请问,这时候该DLL有没有可能发生谐波锁定问题?

答案是有可能。在复位结束之后,Vcont虽然为VDD,如果这时候DLL还没有参考时钟输入,Vcont将很难保持VDD大小的电压,这是因为即使电荷泵的上下通路为高阻抗,还是会存在一定的电荷泄露,随着时间的加长,Vcont电压会逐渐减小。此外,没有参考时钟输入,UP和DN的状态并不确定,Vcont的初值还面对着可能被放电路径释放的风险(如果DN刚好有效)。这种情况下,假设参考时钟在很长一段时间后才来到,那么此时的Vcont已经降低到0~VDD之间的某个中间值,且该值在不同工艺角、温度、供电下是不同的,且难以预测,因此仍然有可能出现谐波锁定现象(详细原因可以看参考帖)。

这就像是,虽然我们增加了Vcont赋初值的预防措施,但仍然会有一些特殊的场景使初值存在的作用失效。

图片

图1 DLL典型结构

更多文章内容,可关注“模拟小笨蛋”微信公众号,定期分享模拟IC设计相关的知识,小技巧。

02 VCDL时钟检测电路解决问题

我们思考一下,上述问题的关键是在参考时钟到来之前Vcont的电压漂移问题。因此在参考时钟给到之前,我们只要保证Vcont即使在复位释放之后仍然能保持在VDD大小,那么该问题就得到了解决。基于这个思路,下图所示的电路在工程实践上得到了广泛的应用。

图片

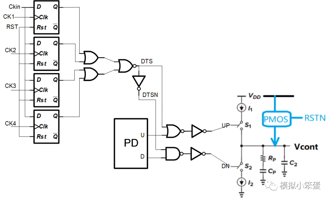
图2 增加时钟检测电路后的电路

该电路利用多个DFF设计了一个VCDL时钟检测电路,CKin连接到DFF的数据端,从上到下每个DFF的时钟端从VCDL引出,且每个DFF被同步复位。在没有参考时钟时,VCDL也无法输出时钟。在复位期间,RST=1,一方面,RSTN=0,Vcont被上拉到VDD;另一方面,时钟检测电路中,所有DFF被复位,Q=0,DTS=1,DTSN=0,此时S1=1,S2=0,充电电流源打开,放电电流源关闭,Vcont的电位被进一步加强,使其保持VDD大小。

我们再回顾一下前文提到的应用场景,再看看这时候DLL会如何反应:当复位释放之后,假设CKin仍然没有到来,所有的DFF的时钟端不会出现边沿跳变,作为边沿触发型的DFF,其Q端维持之前的值,因此DTS仍等于1,所以S1仍然打开,S2仍然关闭,Vcont端被充电,其始终维持VDD电位不变。当CKin一旦到来,CK1~CK4自然会有时钟输出,DFF会有采样输出,只要有一路Q=1,DTS就跳变为0,关闭对PD输出状态的控制。此后,Loop将在负反馈作用下进入锁相过程。

总结:

和前一篇帖子的核心点一致:保证Vcont赋初值。本篇针对一种特殊的、但并不是不常见的应用场景进行了分析,指出了该场景下DLL面对的谐波锁定风险,并给出了解决方案。解决的办法需要增加额外的电路,即VCDL时钟检测电路。



更多文章内容,可关注“模拟小笨蛋”微信公众号,定期分享模拟IC设计相关的知识,小技巧。


点赞

评论 (0 个评论)

facelist

您需要登录后才可以评论 登录 | 注册

  • 0

    周排名
  • 0

    月排名
  • 0

    总排名
  • 1

    关注
  • 40

    粉丝
  • 0

    好友
  • 117

    获赞
  • 9

    评论
  • 230

    访问数
关闭

站长推荐 上一条 /1 下一条


手机版| 小黑屋| 关于我们| 联系我们| 隐私声明| EETOP 创芯网
( 京ICP备:10050787号 京公网安备:11010502037710 )

GMT+8, 2025-10-7 07:06 , Processed in 0.043001 second(s), 15 queries , Gzip On, Redis On.

eetop公众号 创芯大讲堂 创芯人才网
返回顶部