| ||
滤波器广泛应用于射频系统中,根据其结构形式不同分为:LC滤波器、介质滤波器、腔体滤波器、微带滤波器、波导滤波器等。腔体滤波器具有Q值高、插损小、功率容量大等优点,广泛应用于通信系统中。本文通过一个腔体滤波器设计实例,简要讲述腔体滤波器的仿真设计流程。

图1 常见的腔体滤波器

图2 腔体滤波器内部结构参考
腔体滤波器的设计流程一般包括以下方面:首先分析指标;通过滤波器综合得出耦合矩阵和拓扑结构;对单腔频率及Q值进行仿真;对腔间耦合进行仿真;对输入输出端口进行仿真;建立整体模型进行仿真;仿真调试优化。
1.滤波器指标
滤波器指标一般包括频率范围(中心频率、带宽)、带内插损、带外抑制、带内驻波、端口阻抗、功率容量、产品尺寸等,本文以下表所示指标进行本次滤波器仿真设计。
指标项 | 值 |
中心频率 | 2500MHz |
带宽 | 100MHz |
带内插损 | ≤1dB |
带内波动 | ≤0.5dB |
带外抑制 | ≥40dBc@f0±100MHz |
带内驻波 | ≤1.5 |
端口阻抗 | 50Ω |
尺寸 | ≤70mm*45mm*22mm |
2.拓扑结构确定
已知滤波器指标后,可以通过CoupleFil、ADS、AWR、CST等工具对指标进行综合分析,确定滤波器的阶数、是否需要加零点、耦合系数、端口Q值等,从而确定滤波器拓扑结构。在CoupleFil中,输入中心频率2500MHz,带宽105MHz,Q值2000,通过设置滤波器腔数或阶数,从滤波器响应曲线中可以看到带内插损及带外抑制是否满足要求,从下图可知,要想满足指标要求,滤波器需6腔实现。在实际设计时,一般对指标留足余量(如带宽、抑制、驻波指标都需要提高一些)。

图3 CoupleFil仿真分析
也可以通过CST的Filter Designer工具进行分析确定,其设置如下图所示。

图4 CST Filter Designer仿真分析
由两种软件得到的结果完全相同,滤波器的基本参数如下。

图5 仿真综合分析结果
3.建模仿真
根据综合分析的结果开始进行三维建模仿真,滤波器的三维建模仿真,比较常用的有HFSS、CST等,本文采用HFSS仿真实现。建模仿真包括单腔仿真、双腔耦合仿真、端口时延仿真、整体建模仿真、调试优化等步骤。
(1)单腔仿真
首先对滤波器单腔仿真,仿真确定单腔尺寸、频率、单腔Q值。
频率主要由单腔和谐振器结构尺寸决定,在没有尺寸限制或比较高频率时,单腔结构内只由单个谐振杆构成,在尺寸要求严苛或频率较低时,需要在腔体内优化谐振器结构以减小尺寸。
单腔的Q值与单腔结构尺寸、单腔阻抗、腔体表面材料等都有关系。腔体尺寸越大,单腔Q值越高,在尺寸没有限制的情况下,如果要求插损尽量小,可以设置腔体尺寸尽量大些。同轴腔体结构的Q值与其阻抗也有关系,当阻抗为76Ω时,理论上有最佳的Q值,此时整体插损也最小。腔体滤波器为了实现较高的Q值,较小的插损,在工程中一般常用铝腔体表面镀银,在仿真时需设置表面材料为银。
单腔仿真可以先使用工具软件AppCAD中的Square Coax得到初始单腔尺寸,单腔长度设置为1/8波长,如果Q值要求高,可以设置单腔阻抗76Ω,如果功率容量要求高,可设置阻抗30Ω,其他折中处理。腔体滤波器同轴内导体实际工程中采用调谐螺杆实现,仿真设置时应设为实际的螺杆直径。

图6 AppCAD中单腔计算
在HFSS中对单腔建模,采用本征模求解,计算单腔频率和Q值。本例为减小尺寸,单腔模型如下图所示。

图7 HFSS中单腔模型

图8 HFSS中单腔模型仿真结果
对频率调谐螺杆长度参数扫描,得到螺杆长度与单腔频率的关系曲线,可以作为后续调试的参考,如下图所示。

图9 HFSS中调谐螺杆长度扫描与单腔频率关系曲线
由仿真结果可知,调谐螺杆越长,频率越低。2500MHz对应调谐螺杆长度7.6mm左右,螺钉长度占单腔高度一半,尺寸比较适中,便于调试及加工实现。
(2)双腔耦合仿真
建立双腔耦合模型,采用本征模求解,Number of Modes设置为2,设置变量BW=Mode1(2)-Mode(1),对耦合带宽进行仿真,仿真模型如下图所示。实际工程中,一般采用螺杆来调试耦合,所以建立模型时将耦合螺杆长度设为变量,并对其进行参数扫描。

图10 HFSS中双腔耦合仿真模型

图11 HFSS中耦合螺杆长度与双腔耦合带宽仿真关系曲线
由仿真曲线可知,耦合螺杆越长,耦合带宽越宽。此次仿真的滤波器的耦合带宽对应耦合螺杆长度关系如下表所示:
耦合带宽 | 耦合螺杆长度 |
CBW1, 2 = 79.5807 MHz | 10.5mm |
CBW2, 3 = 60.948 MHz | 7.82mm |
CBW3, 4 = 58.8035 MHz | 7.48mm |
(3)端口时延仿真
端口耦合通过仿真端口群时延确定,已知端口耦合Q值,通过其与端口群时延的对应关系,
,即
,在本例中Q=29.84,可得tmax=7.6ns。端口耦合有多种形式,如下图所示。在此采用第一种直径耦合的形式。

图12 常见的端口耦合结构
在HFSS中建立端口仿真模型,设置端口,进行端口群时延仿真,如下图所示。

图13 HFSS中端口耦合仿真模型
将端口高度设为变量进行参数扫描,可得到不同高度的端口群时延响应,如下图所示。

图14 HFSS中端口耦合高度位置与端口群时延仿真关系曲线
由仿真曲线可知,端口耦合位置越高,时延越小,Q越小,端口耦合越强。此例仿真的滤波器的端口耦合高度为3.6mm左右。
(4)整体建模仿真
建立整体滤波器模型全仿真,将频率调谐螺杆、耦合调谐螺杆和抽头高度都设置为变量,带入前面仿真的初始尺寸,最终的仿真模型如下图所示。

图15 HFSS中滤波器整体仿真模型
初始仿真结果如下图所示,很明显频率偏低太多,由于整体建模后,增大了腔体尺寸,频率会偏低,可以先将频率稍作修正整体提高再做优化。

图16 HFSS中初始模型仿真结果

图17 HFSS中将频率稍作修正仿真结果
(5)调试优化
有了初始的模型,后续还需对模型进行进一步优化。调试优化有多种方法,在此介绍一种比较简单直观的,即采用CST中的Filter Designer工具进行优化。
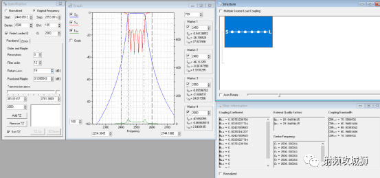
将HFSS中的仿真结果导出.s2p文件,再将该.s2p文件导入到CST Filter Designer中拟合,即可看到每个参数的偏差情况,按照偏差情况进行调整对应的物理尺寸,经过几次迭代即可得到理想的仿真结果。

图18 HFSS仿真结果导出.s2p文件

图19 CST Filter Designer中导入HFSS的仿真结果进行拟合





图20 经过多次拟合后HFSS中最终仿真结果曲线
经过多次迭代优化后得到最终的模型尺寸及仿真曲线,从曲线可知,仿真结果达到了设计指标要求。

图21 经过多次拟合后最终模型尺寸
4.结果
经过建模仿真优化,到此完成了整个腔体滤波器的仿真设计过程,对于实际制作腔体滤波器,可以根据仿真设计的结构进行加工出图,包括腔体、盖板、射频连接器的选取、表面处理说明等等。此例仅作腔体滤波器仿真示例,在实际应用中滤波器的结构更为复杂,工程应用中还需更多的考虑最终的加工制作可行性、加工成本考虑、最终的调试便利等。
/2