热度 16| |||
结合cadence手册和网友的答疑,整理出一下步骤:
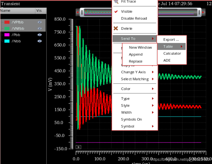
1.schematic使用ADE L得到仿真图像——New Window
这里LZ仿真文件过大,提示可作取舍:显示全部或50000个点的数据
3. 选择50000_Points后,系统调用表格窗口显示数据的作图点
这里数据点的精度(steps)受瞬态仿真的设置影响
选择:File——Export导出csv格式文件
(.csv可用于Excel/MATLAB等数据处理软件)
保存选项:Clip Date是界定数据保存X轴的范围
Significant Digits建议勾选以显示完整数据(不想保存过多的点可减少显示数量)
4. 使用Excel预处理表格数据
.csv的文件是用空格/逗号/分隔符形成表格数据的格式
原始数据包含不必要的信息,可使用Excel函数批量修改
这里LZ使用了两个技巧:
a. 奇偶排序:筛选出偶数行
b. 某符号左/右保留函数:=RIGHT(A2,LEN(A2)-FIND("""",A2))和=LEFT(I2,FIND(" )",I2)-1)
预处理完成,三列分别为频率和X和Y变量,方便使用MATLAB或其他软件作三维图
5. 导入MATLAB作图
导入数据形成table变量,LZ选择了scatter制作散点图
到这里初始图像制作完成,后续工作还根据需要拟合处理
更新时间:2020/07/14 23:58
出来打篮球: 说明数据量不够大 你用的什么版本的软件
/2